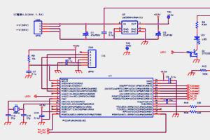
自販機用調光電源
開発事例
Example Case
依頼内容/開発コンセプト
CASE 1
- check自販機用のLED電源を他社に開発依頼したが、故障が多発し困っている
- check新設計で同等品を作ってほしい(寸法やコネクタや取り付け穴は現行品と合わせる)
- check手動/自動調光、リモートON/OFF
- check3種類の直管LEDに対応できるようにしてほしい
- check0.3A定電流 4ch




